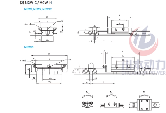
MGW9H 臺灣HIWIN滑塊 HIWIN導(dǎo)軌 臺灣上銀滑塊導(dǎo)軌
組件尺寸 | H | 12 | mm |
H1 | 2.9 | mm | |
N | 6 | mm | |
滑塊尺寸 | W | 30 | mm |
B | 23 | mm | |
B1 | 3.5 | mm | |
C | 24 | mm | |
L1 | 38.5 | mm | |
L | 50.7 | mm | |
G | - | mm | |
Gn | 1.4 | mm | |
MxL | M3*3 | mm | |
H2 | 2.4 | mm | |
導(dǎo)軌尺寸 | WR | 18 | mm |
WB | - | mm | |
HR | 7 | mm | |
D | 6 | mm | |
h | 4.5 | mm | |
d | 3.5 | mm | |
P | 30 | mm | |
E | 10 | mm | |
導(dǎo)軌的固定螺栓尺寸 | 導(dǎo)軌的固定螺栓尺寸 | M3*8 | mm |
基本動額定載荷 | C | 350 | kN |
基本靜額定載荷 | C0 | 600 | kN |
容許靜力矩 | MR | 5.56 | kN-m |
MP | 3.47 | kN-m | |
MY | 3.47 | kN-m | |
重量 | 滑塊 | 57 | g |
導(dǎo)軌 | 0.91 | kg/m |
TAG:list


