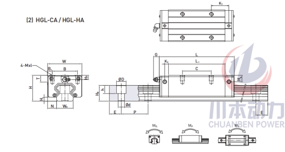
HGL55CA 臺灣HIWIN滑塊 HIWIN導軌 臺灣上銀滑塊導軌
組件尺寸 | H | 70 | mm |
H1 | 13 | mm | |
N | 23.5 | mm | |
滑塊尺寸 | W | 100 | mm |
B | 75 | mm | |
B1 | 12.5 | mm | |
C | 75 | mm | |
L1 | 117.7 | mm | |
L | 166.7 | mm | |
K1 | 27.35 | mm | |
K2 | 11 | mm | |
G | 12.9 | mm | |
MxL | M12*18 | mm | |
T | 17.5 | mm | |
H2 | 12 | mm | |
H3 | 19 | mm | |
導軌尺寸 | WR | 53 | mm |
HR | 44 | mm | |
D | 23 | mm | |
h | 20 | mm | |
d | 16 | mm | |
P | 120 | mm | |
E | 30 | mm | |
導軌的固定螺栓尺寸 | 導軌的固定螺栓尺寸 | M14*45 | mm |
基本動額定載荷 | C | 114.44 | kN |
基本靜額定載荷 | C0 | 148.33 | kN |
容許靜力矩 | MR | 3.69 | kN-m |
MP | 2.64 | kN-m | |
MY | 2.64 | kN-m | |
重量 | 滑塊 | 3.25 | kg |
導軌 | 15.08 | kg/m |
TAG:list


